- 產品介紹
- 產品參數
|
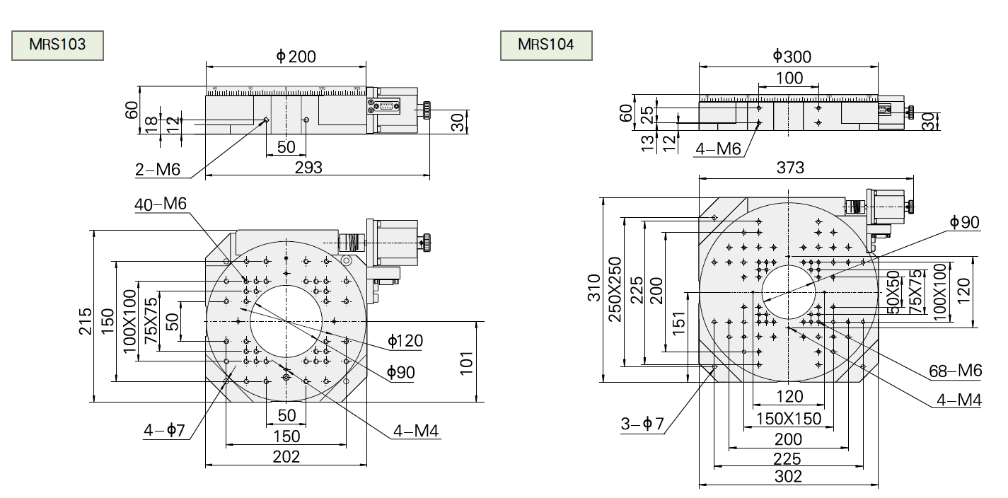
型號 |
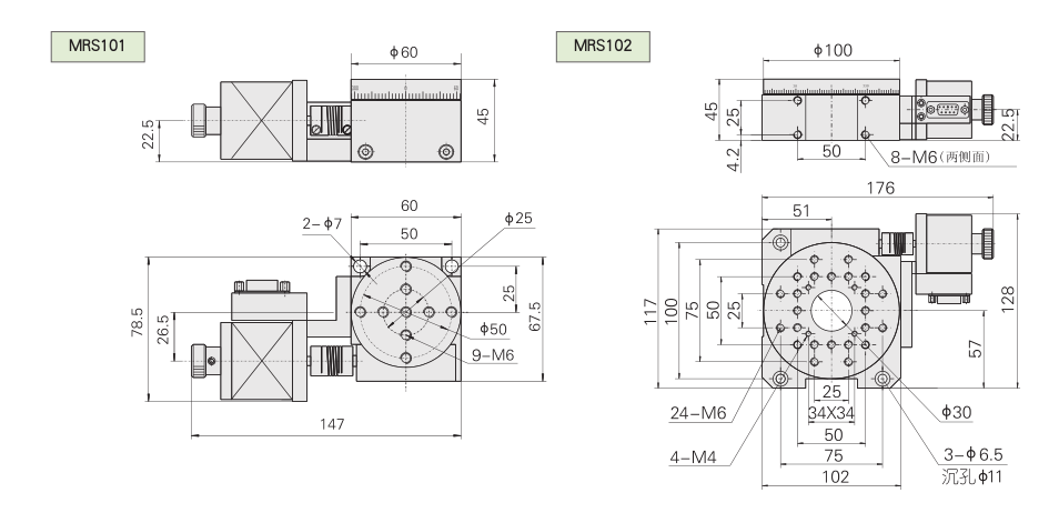
MRS101 |
MRS102 |
MRS103 |
MRS104 |
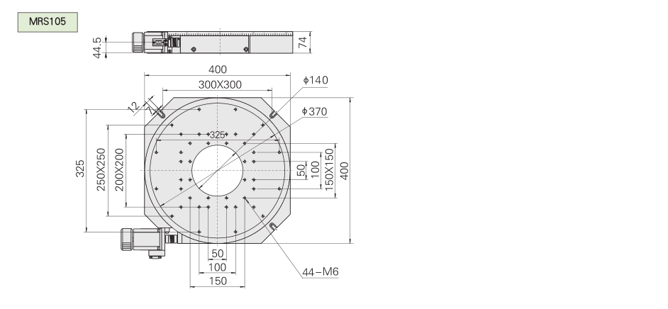
MRS105 |
|
臺面直徑(mm) |
60 |
100 |
200 |
300 |
400 |
|
傳動比 |
90:1 |
180:1 |
180:1 |
270:1 |
720:1 |
|
分辨率 |
0.0003° |
0.0002° |
0.0002° |
0.0001° |
0.000039° |
|
重復定位精度 |
<0.01° |
<0.005° |
<0.004° |
<0.0035° |
<0.003° |
|
極限速度 |
50°/s |
25°/s |
15°/s |
12.5°/s |
6°/s |
|
步進電機(1.8°) |
42步進電機 |
56步進電機 |
|||
|
極限靜轉矩(Ncm) |
40 |
40 |
80 |
80 |
80 |
|
極限中心負載(kg) |
30 |
50 |
60 |
70 |
80 |
|
自重(kg) |
0.9 |
1.8 |
7.2 |
13.5 |
37.5 |
|
備注 |
應用真空環境中,需單獨訂貨 |
||||















